ZQWG系列高效无负压智能变频供水设备是由无负压装置和泵组及控制柜组成的供水设备,稳流装置为闭式结构,闭式流量调节器为罐式管网叠压(无负压)设备,将系统设备串接在市政自来水管网压力不足的地方,设备通过压力传感器检测出口压力,将检测值和设定值进行比较,运算出市政自来水管网的原有压力基础上需要增加的压力值,确定水泵投入运行台数和变频器输出频率(反应到电机及水泵为转速)以符合用水曲线实现恒压,无负压变频供水设备最大限度的利用了市政自来水管网的原有压力,对市政自来水管网不产生负压,用稳流罐取代老式水池,减少了用水二次污染,是供水领域新一代节能型产品。
工作条件
1.液体温度:-15℃~ +104℃,该泵可输送清水或物理化学性质类似于清水的液体;
2.工作压力:最大工作压力<2.5MPa,即系统压力=入口压力+闭阀工作时的压力<2.5MPa;
3.周围环境的温度应低于40℃,相对湿度不超过95%。
性能特点
1. 无负压:
◆ 系统与市政自来水管网直联取水加压运行不会造成市政自来水管网出现负压;
◆ 高品质智能型电脑编程控制;
◆ 专用自主开发,具有多样化功能,能够提供尖端水准的精密控制,已经达到世界领先水平。;
2. 叠压:
◆ 设备在运行借助市政自来水管网的压力,并在此基础上增压,与从普通蓄水池吸水相比运行时可减少泵台数或降低转速而达到节能目的;
3. 保持恒压:
◆ 设备通过压力传感器实时检测出口压力,将检测和设定值进行比较运算,确定水泵的投入台数和变频器的输出频率(反映为电机及水泵的转速),以实现恒压的目的。;
4. 稳定供水:
◆ 供电线路停电时,系统通过旁通管路实现停电不断水,即停电时系统自动切换市政自来水压力供水。
5. 安全卫生:
◆ 过流部件均采用不锈钢等食品级材料制造,符合国际涉水卫生规范。
6. 高度智能化:
◆ 系统能实现全自动控制,具有手动/自动切换、主副泵定时轮换、压力调整、恒压、高低电压保护、欠相保护、漏电保护、过载保护、过热保护、缺水保护、不用水停车、瞬间跳闸保护等功能。另可根据用户需求配置人机界面,可视化远程调整、检测和维护。
7. 节省投资:
◆ 系统没有蓄水池等土建贮水设施,节省了占地面积,降低了建筑承载负荷,因此大大降低了投资费用。
8. 节省运行费:
◆ 系统保证管道恒压是根据用水量的变化调整投入台套数和运转速度,用水量大时投入功率大,用水量小时投入功率小。小用水量时(如夜间)系统由小功率泵变频调速恒压供水。系统一直在高效率点运行,因而大大降低了运行费用,可节约能源60%以上。
◆ 系统全自动运行无须专人值守;又因没有蓄水池等土建贮水设施,也没有水质处理仪器,免去定期清洗、消毒等工作。故进一步降低了运行费用。
◆ 如市政管网有一定的压力,运行时只需在市政压力基础上补压即可。与传统具有蓄水池的供水设备相比达到同样的效果而从电网吸取的功率较小。节能效果十分显著。
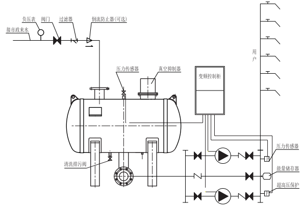
原理示意图


微信咨询
关注我们